Wiring Diagram For 1998 Nissan Frontier - 1998 Nissan Maxima Wiring Diagram Electrical System Wiring Diagram Book Belt Will A Belt Will A Prolocoisoletremiti It / 2000 nissan frontier 4 dr se crew cab sb.. The first frontier uses a double din setup which is hi jason, i will have the research team get you a 2016 nissan frontier stereo wiring diagram asap. The above typical ignition system wiring diagram applies only to the 1999, 2000, 2001, 2002, 2003, 2004 3.3l nissan frontier and xterra. I requested a radio wiring diagram for a 2003 nissan sentra se r and it was not correct that was given. 1998 nissan frontier is hard to get out of park. Nicoclub.com purchases, downloads, and maintains a comprehensive directory of nissan factory service manuals for use by our registered members.

Nicoclub.com purchases, downloads, and maintains a comprehensive directory of nissan factory service manuals for use by our registered members. Find more compatible user manuals for 1998 frontier automobile device. Fuse box diagram (location and assignment of electrical fuses and relays) for nissan navara / frontier (d22; 1) for free in pdf. My nissan frontier has poor cab heat does a poor job in defrost mode cooling system is full heater hoses are hot to the heater core hot out of the heater core in defrost mode the a.c.

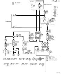
Wiring Diagram For 1998 Nissan Frontier Settings Wiring Diagram List Temp A List Temp A Syrhortaleza Es
Wiring Diagram For 1998 Nissan Frontier Settings Wiring Diagram List Temp A List Temp A Syrhortaleza Es from i.pinimg.com
These frontier manuals have been provided by our users, so we can't guarantee completeness. 1998 nissan frontier is hard to get out of park. Nissan frontier owners manual 1999.pdf. 1997, 1998, 1999, 2000, 2001, 2002, 2003, 2004). Immobilizer ecu has 16 pins. In this tutorial i'll explain the steps. Combination meter, key switch, security indicator lamp, secu, transmission control module (tcm). Nicoclub.com purchases, downloads, and maintains a comprehensive directory of nissan factory service manuals for use by our registered members.

Wiring diagram for 2002 nissan frontier with rockford fosgate please.

I need a wiring diagram for fuel injection, relays, fuses, ipdm central, body compyter, immobilizer , instrument panel,. Nissan ud truck service manuals and nissan forklift pdf manuals are contains : Can someone please send me the 1998 nissan maxima stereo wiring diagram for a non bose? 1998 nissan frontier is hard to get out of park. How to download a nissan frontier repair manual (for any year). Cigar lighter (power outlet) fuse in the nissan navara is the fuse f17 in the instrument panel fuse box. In this tutorial i'll explain the steps. 1997, 1998, 1999, 2000, 2001, 2002, 2003, 2004). Should be the tu5jp engine. Wiring diagram for 2002 nissan frontier with rockford fosgate please. I'll also tell you where you can buy one that'll cost you a lot less than at your local parts store (or nissan dealer). 2000 nissan frontier 4 dr se crew cab sb. Ignition coil, power transistor (ignition control module), and camshaft position sensor.

300zx nissan 350z nissan altima nissan armada nissan cube nissan frontier nissan maxima nissan murano nissan pathfinder nissan pickup nissan quest nissan rogue nissan sentra nissan titan nissan versa nissan xterra. Nicoclub.com purchases, downloads, and maintains a comprehensive directory of nissan factory service manuals for use by our registered members. In 1998, the group has sold 2 million. Immobilizer ecu has 16 pins. Fuse box diagram (location and assignment of electrical fuses and relays) for nissan navara / frontier (d22;

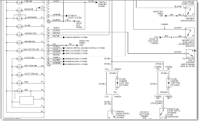
6a66f0 98 Nissan Frontier Wiring Diagram Wiring Library
6a66f0 98 Nissan Frontier Wiring Diagram Wiring Library from electriceptor.files.wordpress.com
Amp up your listening pleasure, easily add aftermarket amplification to your factory radio. Nissan frontier 1998, amplifier integration interface by pac®. Nissan frontier 2013 owner's manual.pdf. 2000 nissan frontier 4 dr se crew cab sb. In this tutorial i'll explain the steps. I need a wiring diagram for fuel injection, relays, fuses, ipdm central, body compyter, immobilizer , instrument panel,. Nissan frontier original factory service repair manual covering master cylinder, brake fluid, brake booster, brake actuator, body repair, yaw rate sensor, wiring diagrams, wire harness repair, wiper rubber. In 1998, the group has sold 2 million.

We've checked the years that the manuals cover and we have nissan frontier repair manuals for the following years;

The above typical ignition system wiring diagram applies only to the 1999, 2000, 2001, 2002, 2003, 2004 3.3l nissan frontier and xterra. A 2002 nissan frontier bed will not fit a 2000 nissan frontier. Nissan frontier 2013 owner's manual.pdf. Wiring diagram for 2002 nissan frontier with rockford fosgate please. Its a 1998 model car. None of the wire colors match my 1998 nissan frontier and this is the original wire harness. Nissan frontier 1998 owner's manual.pdf. Nissan frontier repair manuals & wiring diagrams. A circuitry diagram is an easy graph of the physical links and physical design of an electric system or circuit. Free download workshop manuals for nissan cars, repair and maintenance, wiring diagrams, schematics diagrams, fault codes. The lever is on the steering column. A 1998 nissan frontier engine diagram is available through a service repair manual. Download and view your free pdf file of the 1998 nissan frontier owner manual on our comprehensive online database of automotive owners manuals.

Nicoclub.com purchases, downloads, and maintains a comprehensive directory of nissan factory service manuals for use by our registered members. Should be the tu5jp engine. Combination meter, key switch, security indicator lamp, secu, transmission control module (tcm). ℹ️ download nissan 1998 frontier manuals (total manuals: A 1998 nissan frontier engine diagram is available through a service repair manual.

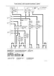
1998 Nissan Frontier Stereo Wiring Wiring Diagram Schematic Fall Monitor Fall Monitor Aliceviola It
1998 Nissan Frontier Stereo Wiring Wiring Diagram Schematic Fall Monitor Fall Monitor Aliceviola It from www.justanswer.com
Auto repair shops also have data bases that have these engine diagrams available to be printed out for their consumers. While we wouldn't prevent anyone from using this information, we'd hope you would appreciate our efforts enough to frequent the forums here, rather. In 1998, the group has sold 2 million. The lever is on the steering column. Ignition coil, power transistor (ignition control module), and camshaft position sensor. Should be the tu5jp engine. Download and view your free pdf file of the 1998 nissan frontier owner manual on our comprehensive online database of automotive owners manuals. Its a 1998 model car.

Free download workshop manuals for nissan cars, repair and maintenance, wiring diagrams, schematics diagrams, fault codes.

Plug in installation retains factory wiring integritylinear. A circuitry diagram is an easy graph of the physical links and physical design of an electric system or circuit. Nicoclub.com purchases, downloads, and maintains a comprehensive directory of nissan factory service manuals for use by our registered members. Nissan frontier 1998, amplifier integration interface by pac®. Download and view your free pdf file of the 1998 nissan frontier owner manual on our comprehensive online database of automotive owners manuals. I'll also tell you where you can buy one that'll cost you a lot less than at your local parts store (or nissan dealer). In this tutorial i'll explain the steps. We've checked the years that the manuals cover and we have nissan frontier repair manuals for the following years; Nissan frontier owners manual 1999.pdf. ℹ️ download nissan 1998 frontier manuals (total manuals: Fuse box diagram (location and assignment of electrical fuses and relays) for nissan navara / frontier (d22; Nissan frontier 2013 owner's manual.pdf. Nissan frontier repair manuals & wiring diagrams.

By